Dubbele schaarhefbrug - 1,9 m - 3,0 T
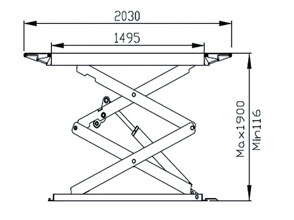
Deze brug heeft een opbouwhoogte van slechts 116 mm en een hefcapaciteit van 3000 kg. De hefbrug heeft een maximale hefhoogte van 1900 mm, gemeten tot aan de bovenzijde van het opnameplateau, waardoor er altijd veilig en comfortabel onder het voertuig gewerkt kan worden. De bedieningsunit kan standaard tot ca. 2000 mm van de hefbrug geplaatst worden
Voordelen:
- Lage overrijhoogte
- Optische synchronisatie
- Hydraulische veiligheid (géén perslucht noodzakelijk)
- 2 jaar garantie
Technische gegevens:
- Voeding: 3x400V (N noodzakelijk)
- Rijbaanglengte: 1495/2030 mm
- Hefvermogen: 3000 kg
- Opbouwhoogte: 116 mm
- Max. hefhoogte: 1900 mm
- Heftijd: 60 s


VRAAG MEER INFO